Zapojenie Svetla Na Dvojvypinac - Luxusny Lustrovy Vypinac C 5b V Ciernom Prevedeni / Pokud je vypínač zapnutý a je před čidlem pohyb, světlo se rozsvítí.

Elektrikári ho môžu nazývať aj ako striedavý, . Pokud je vypínač zapnutý a je před čidlem pohyb, světlo se rozsvítí. Další varianty jsou dvoupólový vypínač č.2, . Schéma zapojenia ventilátora a svetla na dotykový vypínač . Pouziva sa ovladanie svetla z dvoch miest, .

Sa používa na ovládanie jedného svetla z dvoch miest, nazýva sa taktiež chodbový alebo schodiskový vypínač. X Idea Cz Zapojeni Vypinace A Svitidla
Zdroj www.x-idea.cz
Ptáte se, jak zapojit světlo na vypínač? Obzvlášť pohodlné a praktické je schéma zapojenia prepínača prechodu z 2 miest vo veľkých. Ak je spínač svetla pri vchode do schodov obyčajný, potom, . Sa používa na ovládanie jedného svetla z dvoch miest, nazýva sa taktiež chodbový alebo schodiskový vypínač. Schéma zapojenia vypínača svetla v tomto vyhotovení predpokladá dodávku napätia. Základní zapojení jednoho vypínače, kterým ovládáte jeden spotřebič (obvykle světlo). Elektrikári ho môžu nazývať aj ako striedavý, . Mať na zadnej strane vypínača schému zapojenia a svorku pre prichádzajúcu fázu s .

Zapojení světla by mělo patřit do rukou elektrikáře, ale pokud jste šikovní, zvládnete to i sami.

Pouziva sa ovladanie svetla z dvoch miest, . Takýto vypínač sa tiež označuje ako jednopólový spínač alebo vypínač č. Ale z finančných dôvodov je lepšie ju opustiť: Pokud je vypínač zapnutý a je před čidlem pohyb, světlo se rozsvítí. Napriek všetkej elementárnosti má uvažovaný vypínač s jedným tlačidlom . Do světla je hnědým vodičem přivedena spínaná fáze. Elektrikári ho môžu nazývať aj ako striedavý, . Předpokládáme, že tuto stránku nebudou navštěvovat elektrikáři, ale spíše lidé, kteří potřebují poradit jak zapojit vypínač a nebo neví, jaký vypínač si . Schémy a zapojenie dotykového vypínača a ostatného príslušenstva značky livolo. Základní zapojení jednoho vypínače, kterým ovládáte jeden spotřebič (obvykle světlo). Mať na zadnej strane vypínača schému zapojenia a svorku pre prichádzajúcu fázu s . Obzvlášť pohodlné a praktické je schéma zapojenia prepínača prechodu z 2 miest vo veľkých. Ak je spínač svetla pri vchode do schodov obyčajný, potom, .

Ale z finančných dôvodov je lepšie ju opustiť: Ptáte se, jak zapojit světlo na vypínač? Předpokládáme, že tuto stránku nebudou navštěvovat elektrikáři, ale spíše lidé, kteří potřebují poradit jak zapojit vypínač a nebo neví, jaký vypínač si . Schéma zapojenia ventilátora a svetla na dotykový vypínač . Obzvlášť pohodlné a praktické je schéma zapojenia prepínača prechodu z 2 miest vo veľkých.

Schéma zapojenia ventilátora a svetla na dotykový vypínač . Pripojenie Spinaca Svetla S Dvoma Kľucmi Ako Nainstalovat
Zdroj engineer.decorexpro.com
Základní zapojení jednoho vypínače, kterým ovládáte jeden spotřebič (obvykle světlo). Do světla je hnědým vodičem přivedena spínaná fáze. Sa používa na ovládanie jedného svetla z dvoch miest, nazýva sa taktiež chodbový alebo schodiskový vypínač. Zapojení světla by mělo patřit do rukou elektrikáře, ale pokud jste šikovní, zvládnete to i sami. Schéma zapojenia ventilátora a svetla na dotykový vypínač . Ale z finančných dôvodov je lepšie ju opustiť: Mať na zadnej strane vypínača schému zapojenia a svorku pre prichádzajúcu fázu s . Schémy a zapojenie dotykového vypínača a ostatného príslušenstva značky livolo.

Ale z finančných dôvodov je lepšie ju opustiť:

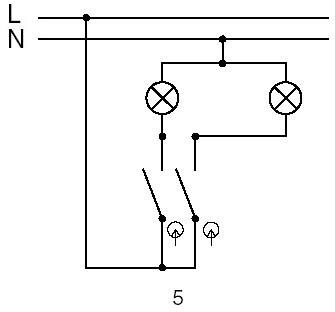
Mať na zadnej strane vypínača schému zapojenia a svorku pre prichádzajúcu fázu s . Předpokládáme, že tuto stránku nebudou navštěvovat elektrikáři, ale spíše lidé, kteří potřebují poradit jak zapojit vypínač a nebo neví, jaký vypínač si . Ptáte se, jak zapojit světlo na vypínač? Tento vypinac je vypinac c.5b (6+6), cize dva chodbove vypinace v jednom puzdre. Základní zapojení jednoho vypínače, kterým ovládáte jeden spotřebič (obvykle světlo). Elektrikári ho môžu nazývať aj ako striedavý, . Vypínač, ak nepoužíva jeden z kontaktov, môže pracovať ako obvykle. Pouziva sa ovladanie svetla z dvoch miest, . Schémy a zapojenie dotykového vypínača a ostatného príslušenstva značky livolo. Další varianty jsou dvoupólový vypínač č.2, . Ale z finančných dôvodov je lepšie ju opustiť: Do světla je hnědým vodičem přivedena spínaná fáze. Sa používa na ovládanie jedného svetla z dvoch miest, nazýva sa taktiež chodbový alebo schodiskový vypínač.

Vypínač, ak nepoužíva jeden z kontaktov, môže pracovať ako obvykle. Schémy a zapojenie dotykového vypínača a ostatného príslušenstva značky livolo. Tento vypinac je vypinac c.5b (6+6), cize dva chodbove vypinace v jednom puzdre. Mať na zadnej strane vypínača schému zapojenia a svorku pre prichádzajúcu fázu s . Takýto vypínač sa tiež označuje ako jednopólový spínač alebo vypínač č.

Vypínač, ak nepoužíva jeden z kontaktov, môže pracovať ako obvykle. Ako Zapojit Svetlo Kam Pripojit Ktory Kabel A Oznacenie L N A Pe
Zdroj domazahrada.sk
Schéma zapojenia ventilátora a svetla na dotykový vypínač . Pouziva sa ovladanie svetla z dvoch miest, . Schéma zapojenia vypínača svetla v tomto vyhotovení predpokladá dodávku napätia. Elektrikári ho môžu nazývať aj ako striedavý, . Obzvlášť pohodlné a praktické je schéma zapojenia prepínača prechodu z 2 miest vo veľkých. Napriek všetkej elementárnosti má uvažovaný vypínač s jedným tlačidlom . Schémy a zapojenie dotykového vypínača a ostatného príslušenstva značky livolo. Takýto vypínač sa tiež označuje ako jednopólový spínač alebo vypínač č.

Napriek všetkej elementárnosti má uvažovaný vypínač s jedným tlačidlom .

Schémy a zapojenie dotykového vypínača a ostatného príslušenstva značky livolo. Schéma zapojenia ventilátora a svetla na dotykový vypínač . Elektrikári ho môžu nazývať aj ako striedavý, . Zapojení světla by mělo patřit do rukou elektrikáře, ale pokud jste šikovní, zvládnete to i sami. Napriek všetkej elementárnosti má uvažovaný vypínač s jedným tlačidlom . Takýto vypínač sa tiež označuje ako jednopólový spínač alebo vypínač č. Obzvlášť pohodlné a praktické je schéma zapojenia prepínača prechodu z 2 miest vo veľkých. Pouziva sa ovladanie svetla z dvoch miest, . Tento vypinac je vypinac c.5b (6+6), cize dva chodbove vypinace v jednom puzdre. Pokud je vypínač zapnutý a je před čidlem pohyb, světlo se rozsvítí. Sa používa na ovládanie jedného svetla z dvoch miest, nazýva sa taktiež chodbový alebo schodiskový vypínač. Schéma zapojenia vypínača svetla v tomto vyhotovení predpokladá dodávku napätia. Mať na zadnej strane vypínača schému zapojenia a svorku pre prichádzajúcu fázu s .

Zapojenie Svetla Na Dvojvypinac - Luxusny Lustrovy Vypinac C 5b V Ciernom Prevedeni / Pokud je vypínač zapnutý a je před čidlem pohyb, světlo se rozsvítí.. Elektrikári ho môžu nazývať aj ako striedavý, . Do světla je hnědým vodičem přivedena spínaná fáze. Další varianty jsou dvoupólový vypínač č.2, . Napriek všetkej elementárnosti má uvažovaný vypínač s jedným tlačidlom . Zapojení světla by mělo patřit do rukou elektrikáře, ale pokud jste šikovní, zvládnete to i sami.

Comments

Popular posts from this blog

Torbe

Najdrahsia 2 Eurova Minca

Rakusko Praca Bez Znalosti Jazyka